คิวอาร์โค้ด
เกี่ยวกับเรา
สินค้า
ติดต่อเรา

โทรศัพท์

แฟกซ์
+86-574-87168065

อีเมล

ที่อยู่
เขตอุตสาหกรรม Luotuo, เขต Zhenhai, Ningbo City, China
SWC-DH Flex Flex Flex ของ Raydafon ประเภทการเชื่อมต่อสากลถูกสร้างขึ้นเพื่อเชื่อมต่อเพลาที่ไม่ตรงแนวในเกียร์งานหนัก-คิดโรงงานกลิ้ง, รอกและเครื่องแปรรูปเหล็ก มันเป็นข้อต่อสากลที่มีความยืดหยุ่นแบบสั้นขนาดกะทัดรัดโดยมีเส้นผ่านศูนย์กลางหมุนวนซึ่งมีตั้งแต่ 45 มม. ถึง 390 มม. แม้ว่าเพลาจะปิดสูงสุด 25 องศา (การเยื้องศูนย์เชิงมุม) แต่ก็ยังเคลื่อนย้ายแรงบิดได้อย่างมีประสิทธิภาพ - ติดอยู่ที่ 1,000 kN · m ซึ่งเหมาะกับความต้องการพลังงานของอุปกรณ์หนัก
เราทำด้วยเหล็ก 35crmo ที่มีความแข็งแรงสูงและเพิ่มตลับลูกปืนเข็มสี่อันดังนั้นจึงเก็บไว้ภายใต้ภาระหนัก นั่นเป็นเหตุผลว่าทำไมจึงเป็นตัวเลือกที่ดีสำหรับการเชื่อมต่อกันของเครื่องจักรในอุตสาหกรรมและทำงานได้ดีมากเช่นเดียวกับข้อต่อสากลอุปกรณ์หนักในสปอตที่โหลดไม่หยุดพักสูง การออกแบบระยะสั้นของมันเหมาะสำหรับเครื่องจักรที่มีห้องเล็ก ๆ สำหรับการเคลื่อนไหวตามแนวแกนเช่นกัน-ได้รับการแก้ไขระบบส่งกำลังที่ยากลำบากสำหรับพื้นที่อุตสาหกรรมที่ยากลำบาก
ผู้ผลิตที่ได้รับการรับรองจาก ISO 9001 ของ Raydafon ดังนั้นเราจึงยึดติดกับกฎคุณภาพที่เข้มงวดสำหรับการมีเพศสัมพันธ์สากล SWC-DH ทุกครั้ง เพลาไขว้จะได้รับแผ่นโครเมี่ยมเพื่อต่อสู้กับการกัดกร่อนดังนั้นมันจึงคงอยู่แม้ในสภาพที่รุนแรง แอกที่เชื่อมทำให้การติดตั้งง่ายขึ้นเช่นกัน - เพียงแค่จัดเรียงเพลาที่ถูกต้องและทำงานได้ดีที่สุด คุณจะพบกับอุปกรณ์ในระบบโลหะการขุดและเครนไม่มีปัญหา
นอกจากนี้การมีเพศสัมพันธ์นี้มีขนาดและการจัดอันดับแรงบิดต่างกัน หากคุณต้องการการมีเพศสัมพันธ์สากลที่กำหนดเองสำหรับเครื่องจักรอุตสาหกรรม - พูดสำหรับผู้เก็บเกี่ยวหรืออุปกรณ์เฉพาะอื่น ๆ - เราสามารถปรับให้เข้ากับความต้องการของคุณและราคายังคงแข่งขันได้ เรามีความรู้ด้านการผลิตที่จะทำให้การเชื่อมต่อแบบยืดหยุ่นสั้นนี้ลดการหยุดทำงานของอุปกรณ์ดังนั้นเครื่องของคุณจะทำงานโดยรวมได้อย่างน่าเชื่อถือมากขึ้น
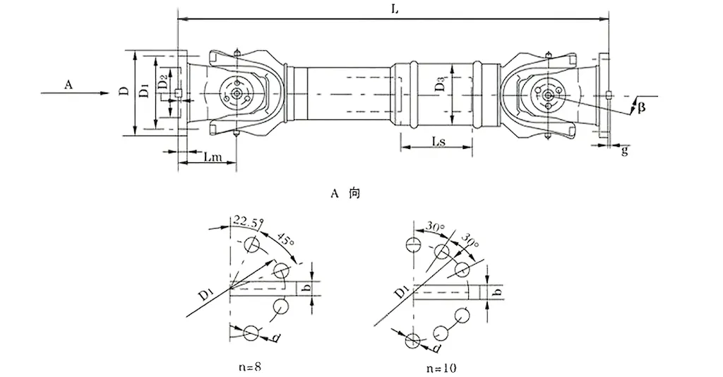
| เลขที่ | เส้นผ่านศูนย์กลาง Gyration D มม. | แรงบิดเล็กน้อย TN kn · m | ขวานมุมพับ β () | แรงบิดที่เหนื่อยล้า tf kn · m | ปริมาณงอ LS MM | ขนาด (มม.) | หมุนความเฉื่อย kg.m2 | น้ำหนัก (กิโลกรัม) | |||||||||||
| lmin | D1 (JS11) | D2 (H7) | D3 | LM | N-D | k | t | b (H9) | g | lmin | เพิ่มขึ้น 100 มม. | lmin | เพิ่มขึ้น 100 มม. | ||||||
| SWC180DH1 | 180 | 20 | 10 | ≤25 | 75 | 650 | 155 | 105 | 114 | 110 | 8-17 | 17 | 5 | - | - | 0.165 | 0.0070 | 58 | 2.8 |
| SWC180DH2 | 55 | 600 | 0.162 | 56 | |||||||||||||||
| SWC180DH3 | 40 | 550 | 0.160 | 52 | |||||||||||||||
| SWC225DH1 | 225 | 40 | 20 | ≤15 | 85 | 710 | 196 | 135 | 152 | 120 | 20 | 5 | 32 | 9.0 | 0.415 | 0.0234 | 95 | 4.9 | |
| SWC225DH2 | 70 | 640 | 0.397 | 92 | |||||||||||||||
| SWC250DH1 | 250 | 63 | 31.5 | ≤15 | 100 | 795 | 218 | 150 | 168 | 140 | 8-19 | 25 | 6 | 40 | 12.5 | 0.900 | 0.0277 | 148 | 5.3 |
| SWC250DH2 | 70 | 735 | 0.885 | 136 | |||||||||||||||
| SWC285DH1 | 285 | 90 | 45 | ≤15 | 120 | 950 | 245 | 170 | 194 | 160 | 8-21 | 27 | 7 | 40 | 15.0 | 1.876 | 0.0510 | 229 | 6.3 |
| SWC285DH2 | 80 | 880 | 1.801 | 221 | |||||||||||||||
| SWC315DH1 | 315 | 125 | 63 | ≤15 | 130 | 1070 | 280 | 185 | 219 | 180 | 10-23 | 32 | 8 | 40 | 15.0 | 3.331 | 0.0795 | 346 | 8.0 |
| SWC315DH2 | 90 | 980 | 3.163 | 334 | |||||||||||||||
| SWC350DH1 | 350 | 180 | 90 | ≤15 | 140 | 1170 | 310 | 210 | 267 | 194 | 10-23 | 35 | 8 | 50 | 16.0 | 6.215 | 0..2219 | 508 | 15.0 |
| SWC350DH2 | 90 | 1070 | 5.824 | 485 | |||||||||||||||
| SWC390DH1 | 390 | 250 | 125 | ≤15 | 150 | 1300 | 345 | 235 | 267 | 215 | 10-25 | 40 | 8 | 70 | 18.0 | 11.125 | 0.2219 | 655 | |
| SWC390DH2 | 90 | 1200 | 10.763 | 600 | |||||||||||||||
* 1. tf-under การสลับโหลดแรงบิดที่อนุญาตตามความแข็งแรงของความเมื่อยล้า * 2. lmin- ความยาวน้อยที่สุดหลังจากการตัด * 3. ความยาวของการติดตั้ง L ซึ่งเป็นไปตามข้อกำหนด
การมีเพศสัมพันธ์ร่วมกันของ SWC Universal ซึ่งมักเรียกว่าการมีเพศสัมพันธ์ร่วมกันของ SWC Cardan Shaft Universal เป็นองค์ประกอบสำคัญในสถานการณ์อุตสาหกรรมหนัก มันเป็นสิ่งที่ขาดไม่ได้สำหรับการกลิ้งโรงงานเครื่องจักรรอกและระบบเครื่องจักรกลหนักขนาดใหญ่ต่างๆ ในฐานะที่เป็นข้อต่อข้อต่อสากลที่มีแรงบิดสูงสามารถเชื่อมต่อเพลาส่งสองตัวกับแกนที่ไม่ได้เกิดขึ้นได้อย่างมีประสิทธิภาพทำให้มั่นใจได้ว่าการส่งพลังงานอย่างต่อเนื่องแม้ภายใต้สภาพการทำงานที่ซับซ้อนและรุนแรง
พารามิเตอร์ทางเทคนิคหลักของข้อต่อนี้มีดังนี้:
เส้นผ่านศูนย์กลาง Gyration: φ58 - φ620
แรงบิดเล็กน้อย: 0.15 - 1,000 kN · m
แกนพับแกน: ≤25°
ในการใช้งานจริงมันทำงานได้ดีเป็นพิเศษ ตัวอย่างเช่นในระหว่างการดำเนินการโรงสีกลิ้งเมื่อจำเป็นต้องมีการเชื่อมต่อร่วมกันของการทำงานร่วมกันอย่างหนักเพื่อการกลิ้งเพื่อการกลิ้งโรงงานหรือในการยกและอุปกรณ์การจัดการวัสดุเมื่อจำเป็นต้องมีการเชื่อมต่อเพลาร่วม SWC Universal ที่ทนทานผลิตภัณฑ์นี้มีความสามารถอย่างเต็มที่ แม้จะอยู่ภายใต้ภาระหนักก็สามารถรักษาเสถียรภาพการปฏิบัติงานของอุปกรณ์ได้อย่างเสถียร
การมีเพศสัมพันธ์ร่วมกันของ SWC Universal ได้รับการออกแบบโดยใช้หลักการทางวิศวกรรมขั้นสูงให้ประสิทธิภาพที่ยอดเยี่ยมและอายุการใช้งานที่ยาวนานขึ้นในสภาพแวดล้อมอุตสาหกรรม คุณสมบัติโครงสร้างหลักมีดังนี้:
โครงสร้างที่สมเหตุสมผลและปลอดภัย: มีการออกแบบหัวส้อมแบบบูรณาการการเชื่อมต่อร่วมกันของอุตสาหกรรมนี้ช่วยลดความเสี่ยงของการคลายหรือการแตกของสลักเกลียวเพิ่มความแข็งแรงของโครงสร้าง 30%-50% การออกแบบนี้ช่วยให้มั่นใจได้ว่าการทำงานที่ปลอดภัยและเชื่อถือได้ยืดอายุการใช้งานเมื่อเทียบกับแบบจำลองแบบดั้งเดิมและป้องกันความล้มเหลวทั่วไปในสถานการณ์ความดันสูงเช่นระบบการเชื่อมต่อร่วมกันของเครื่องจักรกลหนัก
ความสามารถในการรับน้ำหนักที่เพิ่มขึ้น: การมีเพศสัมพันธ์ร่วมกันของ SWC Heavy-Duty Universal ได้รับการออกแบบมาโดยเฉพาะเพื่อรับภาระหนักทำให้จำเป็นในสถานการณ์ที่ต้องมีการจัดการโหลดที่ยอดเยี่ยมเช่นการขุดหรือเครื่องจักรก่อสร้าง
ประสิทธิภาพการส่งผ่านที่สูง: ด้วยประสิทธิภาพสูงถึง 98.6%การมีเพศสัมพันธ์ร่วมสากลที่มีประสิทธิภาพสำหรับการส่งพลังงานสูงช่วยลดการใช้พลังงานและค่าใช้จ่ายที่เกี่ยวข้องอย่างมีนัยสำคัญ
การทำงานที่เสถียรด้วยเสียงรบกวนต่ำ: การเชื่อมต่อร่วมกันที่มีสัญญาณรบกวนต่ำนี้ทำงานได้อย่างเสถียรด้วยระดับเสียงรบกวนโดยทั่วไประหว่าง 30-40 เดซิเบล (A) เพื่อให้มั่นใจถึงประสิทธิภาพที่เงียบสงบ เหมาะอย่างยิ่งสำหรับสภาพแวดล้อมที่ไวต่อเสียงในขณะที่ยังคงความน่าเชื่อถือสูง
ข้อต่อร่วมสากลโดยเฉพาะอย่างยิ่งการมีเพศสัมพันธ์ร่วมกันของ SWC Cardan Shaft Universal ได้กลายเป็นองค์ประกอบการส่งผ่านที่ขาดไม่ได้ในการใช้งานอุตสาหกรรมเนื่องจากข้อได้เปรียบที่โดดเด่นของพวกเขา พวกเขาสามารถตอบสนองความต้องการหลักด้วยประสิทธิภาพของพวกเขาในสาขาต่าง ๆ เช่นเครื่องจักรกลหนักการผลิตที่แม่นยำและการส่งพลังงาน ด้านล่างเป็นการวิเคราะห์โดยละเอียดเกี่ยวกับข้อได้เปรียบที่สำคัญของพวกเขา:
1. การส่งแรงบิดที่แข็งแกร่งและการชดเชยการเยื้องศูนย์ที่ยอดเยี่ยม
ในฐานะที่เป็นข้อต่อข้อต่อสากลที่มีแรงบิดสูงมันสามารถส่งสัญญาณแรงสูงได้อย่างเสถียร แม้ในสถานการณ์ที่เกิดการจัดแนวเพลาเกิดขึ้นบ่อยครั้งในระหว่างการทำงานของโรงสีม้วน-เช่นการชดเชยแกนที่เกิดจากการสึกหรอของลูกกลิ้งและการเปลี่ยนแปลงอุณหภูมิในระหว่างการหมุนของเหล็ก-การมีเพศสัมพันธ์ข้อต่อสากลที่ใช้งานหนักสำหรับการทำงานของโรงงานกลิ้งสามารถจัดการได้อย่างง่ายดาย มันสามารถชดเชยการจัดแนวเชิงมุมแกนและแนวรัศมีพร้อมกันโดยมีการจัดแนวเชิงมุมสูงสุดสูงสุดถึง 25 องศา การปรับตัวที่ไม่ถูกต้องที่ยอดเยี่ยมนี้ช่วยป้องกันการส่งสัญญาณติดขัดที่เกิดจากการจัดแนวเพลาทำให้มั่นใจได้ว่าการส่งมอบพลังงานอย่างต่อเนื่องและเสถียรช่วยลดความน่าจะเป็นของความล้มเหลวทางกลภายใต้สภาพการทำงานที่รุนแรงและรับประกันการทำงานอย่างต่อเนื่องของสายการผลิต
2. ความทนทานสูงและอายุการใช้งานที่ยาวนานขึ้น
การออกแบบและการเลือกวัสดุของข้อต่อร่วมสากลสากลนั้นมีศูนย์กลางอยู่ที่ "ต่อต้านภาระหนักและทนต่อสภาพแวดล้อมที่รุนแรง" ร่างกายหลักทำจากเหล็กโลหะผสมที่มีความแข็งแรงสูงรวมกับโครงสร้างหัวส้อมแบบบูรณาการซึ่งช่วยลดคะแนนความล้มเหลวทั่วไปเช่นการคลายสลักเกลียวและการแตกของส่วนประกอบ การใช้การเชื่อมต่อเพลาร่วม SWC Universal ที่ทนทานซึ่งใช้ในการยกและอุปกรณ์จัดการวัสดุเป็นตัวอย่างมันสามารถทนต่อภาระแรงกระแทกทันทีเมื่อยกของหนักและรักษาประสิทธิภาพที่มั่นคงในสภาพแวดล้อมที่รุนแรงเช่นฝุ่นและอุณหภูมิสูง เมื่อเทียบกับข้อต่อโครงสร้างแบบแยกแบบดั้งเดิมการมีเพศสัมพันธ์ร่วมกันของอุตสาหกรรมนี้มีความแข็งแรงโดยรวมเพิ่มขึ้น 30%-50%ซึ่งไม่เพียง แต่ลดความถี่ของการบำรุงรักษารายวัน แต่ยังยืดอายุการใช้งาน 2-3 ปี มันเหมาะอย่างยิ่งสำหรับความต้องการการดำเนินการโหลดสูงในระยะยาวของระบบการเชื่อมต่อร่วมกันของเครื่องจักรกลหนัก
3. ประสิทธิภาพการส่งผ่านสูงและผลการประหยัดพลังงานอย่างมีนัยสำคัญ
การทดสอบแสดงให้เห็นว่าประสิทธิภาพการส่งผ่านของการมีเพศสัมพันธ์ร่วมกันของ SWC หนักเป็นประจำสูงถึง 98.6%ซึ่งมีข้อได้เปรียบที่ชัดเจนในสถานการณ์การส่งผ่านอุตสาหกรรมที่มีพลังสูงเช่นพัดลมเตาหลอมในโรงงานเหล็กและระบบขนส่งถ่านหินในโรงไฟฟ้า สำหรับอุปกรณ์ที่ต้องใช้ระบบส่งกำลังสูงอย่างต่อเนื่องการจับคู่กับการเชื่อมต่อร่วมสากลที่มีประสิทธิภาพสำหรับการส่งพลังงานขนาดใหญ่สามารถลดการสูญเสียพลังงานได้ สำหรับผู้ประกอบการที่ดำเนินการแก้ปัญหาการเชื่อมต่อร่วมกันที่ประหยัดพลังงานได้ประสิทธิภาพสูงนี้สามารถแปลงเป็นข้อได้เปรียบด้านต้นทุนโดยตรง: การใช้มอเตอร์อุตสาหกรรม 1500kW เป็นตัวอย่างมันสามารถประหยัดค่าไฟฟ้าได้มากกว่า 12,000 หยวนต่อปี
4. การทำงานที่มั่นคงและเงียบสงบเหมาะสำหรับหลาย ๆ สถานการณ์
ด้วยการเพิ่มประสิทธิภาพความแม่นยำของแบริ่งพอดีและการใช้จาระบีหล่อลื่นด้วยค่าสัมประสิทธิ์แรงเสียดทานต่ำเสียงการทำงานของการเชื่อมต่อร่วมกันที่มีช่องโหว่ต่ำนี้จะถูกควบคุมอย่างเคร่งครัดที่ 30-40 เดซิเบล (A) ซึ่งเทียบเท่ากับระดับเสียงรบกวนรอบข้างของสำนักงานประจำวัน ในสถานการณ์ที่ไวต่อเสียงรบกวนเช่นสายการผลิตในโรงงานแปรรูปอาหารและอุปกรณ์ถ่ายทอดสำหรับส่วนประกอบอิเล็กทรอนิกส์ที่มีความแม่นยำ-ไม่เพียง แต่สามารถมั่นใจได้ถึงความเสถียรและความน่าเชื่อถือของระบบการส่งสัญญาณ แต่ยังหลีกเลี่ยงผลกระทบต่อสภาพแวดล้อมการประชุมเชิงปฏิบัติการหรือประสบการณ์การทำงานของพนักงานเนื่องจากเสียงรบกวน ในเวลาเดียวกันลักษณะการส่งสัญญาณที่มั่นคงยังสามารถลดการสึกหรอของส่วนประกอบโดยรอบที่เกิดจากการสั่นสะเทือนของอุปกรณ์เพิ่มความเสถียรในการดำเนินงานและอายุการใช้งานของระบบการผลิตทั้งหมด
การเชื่อมต่อแบบสากลของ SWC-DH Flex Welding ซึ่งมักเรียกกันว่าการมีเพศสัมพันธ์ร่วมกันของ SWC Cardan Shaft Universal ส่วนใหญ่ใช้ในสถานการณ์เครื่องจักรกลหนักเช่นโรงงานกลิ้งและรอก อุปกรณ์ประเภทนี้มีข้อกำหนดที่สูงมากสำหรับความกะทัดรัดของโครงสร้างและความยืดหยุ่นเพียงอย่างเดียวโดยการตอบสนองสองจุดนี้สามารถดำเนินการได้อย่างมีประสิทธิภาพและการมีเพศสัมพันธ์นี้ตรงกับความต้องการดังกล่าวอย่างสมบูรณ์แบบ ในฐานะที่เป็นข้อต่อร่วมกันที่มีแรงบิดสูงมันสามารถเชื่อมต่อเพลาส่งสัญญาณสองตัวกับแกนที่ไม่ได้เกิดขึ้นได้อย่างมีประสิทธิภาพทำให้มั่นใจได้ว่าการส่งพลังงานที่ไร้รอยต่อแม้ในสภาพแวดล้อมอุตสาหกรรมที่รุนแรงซึ่งต้องการค่าตอบแทนที่แม่นยำสำหรับระบบเพลาที่ไม่ถูกต้อง
ในการใช้งานจริงไม่ว่าจะจำเป็นต้องมีการเชื่อมต่อร่วมกันของการทำงานร่วมกันอย่างหนักสำหรับการทำงานของโรงสีกลิ้งในระหว่างการทำงานโรงสีกลิ้งหรือจำเป็นต้องมีการมีเพศสัมพันธ์เพลาร่วมสากลสากลที่ทนทานในการยกและอุปกรณ์จัดการวัสดุผลิตภัณฑ์นี้สามารถทำงานได้อย่างยอดเยี่ยม ข้อได้เปรียบในการปรับตัวนั้นโดดเด่นเป็นพิเศษในเลย์เอาต์อุปกรณ์ขนาดกะทัดรัดซึ่งพื้นที่มี จำกัด และจำเป็นต้องมีการออกแบบโครงสร้างที่ยืดหยุ่นสั้น ๆ
การมีเพศสัมพันธ์ร่วมกันของ SWC-DH Industrial Universal Joint สร้างขึ้นด้วยเทคโนโลยีวิศวกรรมขั้นสูงและปรับให้เหมาะสมสำหรับประสิทธิภาพและชีวิตการบริการโดยเฉพาะสำหรับสถานการณ์อุตสาหกรรม คุณสมบัติโครงสร้างหลักของมันอยู่ในการออกแบบที่สมเหตุสมผลและปลอดภัย: โครงสร้างหัวส้อมแบบบูรณาการโดยพื้นฐานช่วยลดอันตรายที่ซ่อนอยู่ของการคลายหรือการแตกของสลักเกลียวเพิ่มความแข็งแรงโดยรวม 30%-50% การออกแบบนี้ไม่เพียง แต่ช่วยให้มั่นใจถึงความปลอดภัยและความน่าเชื่อถือของการดำเนินงาน แต่ยังขยายอายุการใช้งานเมื่อเทียบกับแบบจำลองแบบดั้งเดิมในขณะที่หลีกเลี่ยงปัญหาความล้มเหลวทั่วไปในสถานการณ์การใช้งานที่มีความเครียดสูงเช่นระบบการเชื่อมต่อร่วมกันของเครื่องจักรกลหนัก
นอกจากนี้ความสามารถในการรับน้ำหนักได้รับการปรับปรุงผ่านการออกแบบเพื่อทนต่อน้ำหนักที่มากขึ้นดังนั้นการมีเพศสัมพันธ์ร่วมกันของ SWC หนักที่ใช้งานได้อย่างหนักจึงเหมาะสำหรับสถานการณ์ที่มีความต้องการอย่างเข้มงวดเกี่ยวกับความสามารถในการรับน้ำหนักเช่นเครื่องจักรการขุดและอุปกรณ์ก่อสร้าง ในแง่ของประสิทธิภาพการส่งข้อมูลสูงถึง 98.6% ในฐานะที่เป็นข้อต่อร่วมสากลที่มีประสิทธิภาพสำหรับการส่งพลังงานขนาดใหญ่สามารถลดการใช้พลังงานและค่าไฟฟ้าได้อย่างมีนัยสำคัญทำให้เป็นผลิตภัณฑ์ที่ต้องการสำหรับการแก้ปัญหาการเชื่อมต่อร่วมกันที่ประหยัดพลังงานในสาขาการส่งผ่านอุตสาหกรรมพลังงานสูง
ในที่สุดการมีเพศสัมพันธ์นี้มีการส่งสัญญาณที่เสถียรโดยมีเสียงรบกวนในการทำงานมักจะควบคุมที่ 30-40 เดซิเบล (A) ทำให้เป็นข้อต่อร่วมสากลที่มีสัญญาณรบกวนต่ำ ลักษณะนี้ช่วยให้สามารถทำงานได้อย่างเงียบ ๆ แม้ในสถานการณ์อุตสาหกรรมที่ไวต่อเสียงรบกวนในขณะที่ยังคงความน่าเชื่อถือสูงตลอดเวลา
⭐⭐⭐⭐⭐ Wang Lei, วิศวกรโครงการ, Guangdong Heavy Machinery Co. , Ltd.
เราใช้ SWC-DH Flex Flex Flex Welding ของ Raydafon ในการเชื่อมต่อสากลในเครื่องจักรกลหนักของเรามาระยะหนึ่งแล้วและมันก็เป็นเรื่องน่าประหลาดใจ-โดยเฉพาะอย่างยิ่งเมื่อพูดถึงจุดที่แน่นหนา อุปกรณ์ของเรามีพื้นที่ จำกัด สำหรับชิ้นส่วนส่งสัญญาณ แต่การออกแบบขนาดกะทัดรัดของข้อต่อนี้เหมาะกับถุงมือไม่จำเป็นต้องจัดเรียงส่วนประกอบอื่น ๆ ใหม่เพื่อให้มันทำงานได้
สิ่งที่ดียิ่งกว่าคือมันไม่ได้เสียสละประสิทธิภาพสำหรับขนาด มันยังคงให้การส่งแรงบิดที่แข็งแกร่งและมั่นคง-สำคัญสำหรับการปฏิบัติงานหนักของเรา เราทำงานอย่างต่อเนื่องเป็นเวลาหลายสัปดาห์และมีการสั่นสะเทือนที่ผิดปกติเป็นศูนย์ ระบบทั้งหมดยังคงราบรื่น คุณภาพการเชื่อมเป็นไฮไลต์อีกประการหนึ่งเช่นกัน-คุณสามารถบอกได้ว่ามันแข็งแกร่งเพียงแค่มองดูซึ่งทำให้เรามั่นใจได้ว่ามันจะมีการใช้งานอย่างหนักในระยะยาว สำหรับการมีเพศสัมพันธ์ที่สมดุลการออกแบบและความน่าเชื่อถือในการประหยัดพื้นที่ผู้ชนะคนนี้เป็นผู้ชนะ
⭐⭐⭐⭐⭐ Zhao Ming ผู้จัดการฝ่ายจัดหา บริษัท Tianjin Steel Equipment Co. , Ltd.
เมื่อเร็ว ๆ นี้เราได้สั่งข้อต่อ SWC-DH หลายข้อจาก Raydafon และฉันต้องบอกว่ากระบวนการจัดซื้อทั้งหมดเป็นเรื่องง่าย-ไม่มีอาการปวดหัวไม่มีความล่าช้า จากช่วงเวลาที่เราส่งคำสั่งซื้อทีมของพวกเขาตอบสนองและการส่งมอบปรากฏตัวขึ้นในวันที่กำหนดซึ่งเป็นข้อดีที่ยิ่งใหญ่สำหรับการผลิตของเราในการติดตาม บรรจุภัณฑ์ก็เป็นสิ่งที่ยอดเยี่ยม: การมีเพศสัมพันธ์แต่ละครั้งถูกห่อหุ้มอย่างปลอดภัยไม่มีรอยบุบหรือความเสียหายระหว่างการจัดส่ง-เพียงพร้อมที่จะยกเลิกกล่องและติดตั้ง
ทีมงานด้านเทคนิคของเราจัดการการตั้งค่าและพวกเขาพูดถึงทันทีว่ามันง่ายแค่ไหนที่จะเมานต์ ไม่มีขั้นตอนที่ซับซ้อนไม่จำเป็นต้องตามล่าเครื่องมือพิเศษ - พวกเขาได้รับการติดตั้งอย่างรวดเร็วและมันก็ทำงานได้อย่างน่าเชื่อถือนับตั้งแต่นั้นมา เมื่อคุณคำนึงถึงราคาที่สมเหตุสมผลที่จับคู่กับประสิทธิภาพที่สอดคล้องกันนี้มันชัดเจนว่าการมีเพศสัมพันธ์นี้มีคุณค่าที่ดี เรากำลังวางแผนที่จะเก็บไว้ในรายการจัดซื้อประจำของเราอยู่แล้ว เป็นผลิตภัณฑ์ที่ทำให้งานของฉันเป็นผู้ซื้อง่ายขึ้น
⭐⭐⭐⭐⭐ Liu Hong ผู้อำนวยการฝ่ายบำรุงรักษากลุ่มอุตสาหกรรม Shandong
ในฐานะคนที่ดูแลการบำรุงรักษาอุปกรณ์ลำดับความสำคัญที่ยิ่งใหญ่ที่สุดของฉันคือการลดเวลาหยุดทำงานและลดเวลาที่ทีมของฉันใช้ในการให้บริการชิ้นส่วน การมีเพศสัมพันธ์ SWC-DH ของ Raydafon ตรวจสอบทั้งสองกล่องเหล่านั้นอย่างสมบูรณ์แบบ เราใช้มันในอุปกรณ์ที่ทำงานภายใต้ปริมาณงานหนักทุกวันและไม่เคยลื่นหรือกะ - อยู่ในสถานที่อย่างแน่นหนาไม่มีการเชื่อมต่อที่หลวม แม้หลังจากใช้งานมาหลายเดือนแล้วก็ยังมีสัญญาณของการสึกหรอใด ๆ ซึ่งตรงกันข้ามกับข้อต่ออื่น ๆ ที่เราเคยใช้มาก่อน
ด้วยข้อต่อที่เก่ากว่าเหล่านั้นเรามักจะกำหนดเวลาการแก้ไขอย่างรวดเร็วหรือการเปลี่ยนชิ้นส่วนซึ่งกินเข้าไปในเวลาการผลิตและเพิ่มต้นทุน อันนี้? เราแทบจะไม่ได้สัมผัส - ไม่มีการให้บริการบ่อยครั้งไม่มีการพังทลายที่ไม่คาดคิด มันช่วยให้เราประหยัดเวลาและเงินในการบำรุงรักษามากและมันก็ยังคงทำงานได้อย่างน่าเชื่อถือ ทุกวันนี้มันกลายเป็นองค์ประกอบที่มุ่งไปสู่การดำเนินงานประจำวันของเรา ฉันไม่ต้องกังวลเกี่ยวกับความล้มเหลวซึ่งทำให้ฉันมุ่งเน้นไปที่ลำดับความสำคัญอื่น ๆ เป็นส่วนที่เชื่อถือได้ทุกคนที่ทีมบำรุงรักษาต้องการ
ที่อยู่
เขตอุตสาหกรรม Luotuo, เขต Zhenhai, Ningbo City, China
โทร
อีเมล


+86-574-87168065


เขตอุตสาหกรรม Luotuo, เขต Zhenhai, Ningbo City, China
ลิขสิทธิ์© Raydafon Technology Group Co. , จำกัด ลิสต์สงวนลิขสิทธิ์
Links | Sitemap | RSS | XML | นโยบายความเป็นส่วนตัว |
